0.00 грн
Каналізаційний насос із різальним механізмом Lowara DOMO GRI 11 SG | 110 л/хв | 1~230 (107679000)
Способи оплати
- Безготівковий розрахунок з ПДВ
Гарантії
- Офіційна гарантія від виробника
- Обмін або повернення протягом 14 днів
Методи доставки
- Нашим транспортом по Києву
- Україною транспортними компаніями
- Самовивіз зі складу
Увійдіть в обліковий запис, щоб ми могли повідомити вам про відповідь
Детальний опис
Каналізаційний фекальний насос Lowara DOMO GRI 11 SG, без поплавкового вимикача
Занурювальні компактні електричні насоси для стічних вод Lowara , обладнані надзвичайно ефективним і високонадійним ріжучим механізмом DОМО GRI з нержавіючої сталі, здатні перемелювати всі частинки та волокна, що містяться в стоках і перекачувати їх через трубопроводи невеликого розміру (діаметром до 25 мм). DOMO GRI випускається у версії потужністю 1,1 кВт (P2).
Lowara DOMO GRI має:
- Напірний патрубок Rp 1“ (внутрішнє різьблення)
- Робоче колесо з технополімеру PBT
- Ріжучий механізм із нержавіючої сталі високої міцності
Основні застосування:
- Перекачування стоків, що містять тверді частинки та волокна
- Відкачування із септичних баків та стічних резервуарів
- Осушення підтоплених приміщень
- Перекачування стоків у напірний каналізаційний колектор
Технічні характеристики:
- Температура рідини: -10°C до +35°C
- Постійний режим роботи при температурі рідини до 35°C та повністю зануреному насосі
- Максимальна глибина занурення: 5 м
- Сухий двигун (клас ізоляції F)
- Електрокабель живлення з неопрену типу H07RN-F
- Режим роботи: постійний при повному зануренні
- Потужність двигуна: 1,1 кВт (P2) для однофазної та трифазної версій
- Особливості однофазної версії:
- Встановлений поплавковий вимикач (виконання без поплавця можливе на запит)
- Вбудований конденсатор
- Тепловий захист від навантаження
- DOMO GRI має:
- Напірний патрубок Rp 1“ (внутрішнє різьблення)
- Робоче колесо з технополімеру PBT
- Ріжучий механізм із нержавіючої сталі високої міцності
Система ущільнення DRIVELUB:
- Ізольований електродвигун, захищений системою кількох ущільнень із проміжною масляною камерою
- Сальникове ущільнення (V-кільце) і торцеве ущільнення з карбіду кремнію (надзвичайно стійке до абразивного зносу), також як і сальникове ущільнення, що постійно змащується системою DRIVELUB, забезпечуючи надійний бар'єр від проникнення води
Робочі характеристики серії DOMO GRI 11:

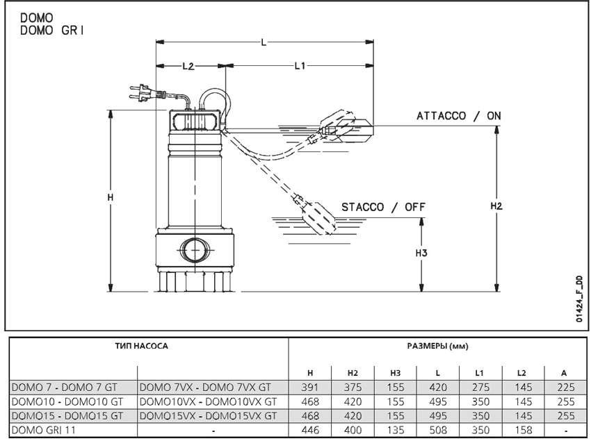
Розміри та вага:

Приклади встановлення:

Характеристики
Бренд:
Lowara
Країна реєстрації бренду:
Італія
Серія:
- DOMO GRI
Тип продукції:
- дренажний насос
- каналізаційний насос
- фекальний насос
Призначення насосу:
- відведення стічних та каналізаційних вод
- для перекачки забрудненої води
- осушення підтоплених приміщень
Частки у рідині:
- до 25 мм
Максимальна продуктивність, м3/год:
- 6,6
Максимальний напір:
25,0
Матеріал корпусу:
- нержавіюча сталь
Матеріал робочого колеса:
- технополімер
Ріжучий механізм:
- з ріжучим механізмом
Потужність двигуна:
- 1,1 кВт
Підключення
Розмір нарізі (дюйм):
- 1"
Приєднання до трубопроводу:
- різьбове з'єднання
Живлення:
- 1~230 В
Робочі умови
Максимальна робоча температура:
- 35°C
Мінімальна робоча температура:
- 0°C
Гарантія
Гарантія:
- 24 міс.
Відгуки
Відгуків не знайдено