Кошик порожній
45 401.38 грн
Belimo GK24A-MP Електропривод повітряної заслонки
Способи оплати
- Безготівковий розрахунок з ПДВ
Гарантії
- Офіційна гарантія від виробника
- Обмін або повернення протягом 14 днів
Методи доставки
- Нашим транспортом по Києву
- Україною транспортними компаніями
- Самовивіз зі складу
Увійдіть в обліковий запис, щоб ми могли повідомити вам про відповідь
Детальний опис
Електропривод Belimo GK24A-MP є приводом із вбудованою зворотною пружиною та застосовується для керування повітряними заслінками площею до 8 м2 у системах вентиляції та кондиціювання.
MP актуатор служить як аналого-цифровий перетворювач для передачі сигналу датчика через MP-Bus в систему вищого рівня.
Особливості:
- Просте встановлення. Електропривід встановлюється безпосередньо на вал заслінки за допомогою універсального хомута, забезпечений фіксатором, що запобігає провертанню корпусу.
- Ручне керування. Можливе ручне керування за допомогою кнопки на корпусі приводу.
- Висока функціональна надійність. Електропривод захищений від перевантаження, не вимагає кінцевих вимикачів і автоматично зупиняється при досягненні кінцевих положень.
- Кут повороту налаштовується механічним упором.
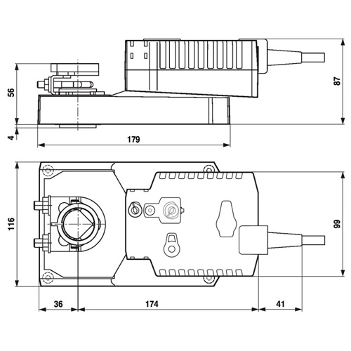
Схеми

Характеристики
Бренд:
Belimo
Країна реєстрації бренду:
Швейцарія
Серія:
- Belimo GK
Тип продукції:
- електропривод повітряної заслонки
Сфера використання:
- вентиляція
- кондиціювання
Електричні параметри приводу
Номінальна напруга живлення:
- 24 В~/=
Частота напруги живлення:
- 50/60 Гц
Діапазон напруги живлення:
- 19,2…28,8 В~/=
Розрахункова потужність:
- 21 ВА
Потужність при утриманні:
- 3 Вт
Споживана потужність у русі:
- 11 Вт
Підключення до мережі:
- кабель 1м, 4 х 0.75 мм2
Клас захисту:
- III (для низьких напруг)
Ступінь захисту корпусу:
- IP54
Особливості приводу
Для повітряних заслонок площею:
- до 8
Спосіб приєднання:
- універсальний хомут
Робочі умови
Мінімальна робоча температура:
-30°С
Максимальна робоча температура:
50°С
Функціональні параметри приводу
Керуючий сигнал:
- 3-ох точковий
- відкрито/закрито
- програмований
Час ходу:
- 150 c
Обертаючий момент:
- 40 Нм
Кут повороту:
- 95°
Рівень шуму:
- 52 дБ(А)
Напрямок обертання:
- вибирається перемикачем
Ручне управління:
- кнопка на корпусі
Допоміжні перемикачі:
- немає
Повернення положення:
- пружинний
Індикація положення:
- механічна
Комплектація
Комплектація:
- кабель живлення
Гарантія
Гарантія:
- 12 міс.
Відгуки
Відгуків не знайдено